Cranial Electrotherapy Stimulation
So I introduce a few cranial electrotherapy electronic circuits for students or researchers to take as reference. It is important to understand the true nature of consciousness, brain, and Ether electric theory. That is the foundation for the future of this technology.
Note: Cranial Electrotherapy Stimulation = CES.
Some electronic circuits for cranial electrotherapy stimulation
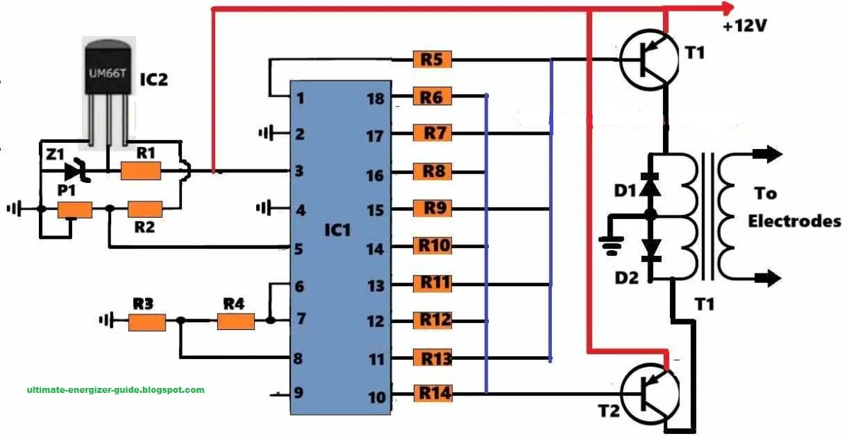
1/ Circuit to enhance brain power by electricity and magnetism
See specifications and instructions: Cranial Electrotherapy Stimulator Circuit Diagram
2/ Development of a miniature device for emerging deep brain stimulation paradigms.
Deep brain stimulation (DBS) is a neuromodulatory approach for treatment of several neurological and psychiatric disorders. A new focus on optimising the waveforms used for stimulation is emerging regarding the mechanism of DBS treatment. Many existing DBS devices offer only a limited set of predefined waveforms, mainly rectangular, and hence are inapt for exploring the emerging paradigm. Advances in clinical DBS are moving towards incorporating new stimulation parameters, yet we remain limited in our capacity to test these in animal models, arguably a critical first step. Accordingly, there is a need for the development of new miniature, low-power devices to enable investigation into the new DBS paradigms in preclinical settings. The ideal device would allow for flexibility in the stimulation waveforms, while remaining suitable for chronic, tetherless, biphasic deep brain stimulation. In this work, we elucidate several key parameters in a DBS system, identify gaps in existing solutions, and propose a new device to support preclinical DBS. The device allows for a high degree of flexibility in the output waveform with easily altered shape, frequency, pulse-width and amplitude. The device is suitable for both traditional and modern stimulation schemes, including those using non-rectangular waveforms, as well as delayed feedback schemes. The device incorporates active charge balancing to ensure safe operation, and allows for simple production of custom biphasic waveforms. This custom waveform output is unique in the field of preclinical DBS devices, and could be advantageous in performing future DBS studies investigating new treatment paradigms. This tetherless device can be easily and comfortably carried by an animal in a back-mountable configuration. The results of in-vitro tests are presented and discussed.
See specifications and instructions: Development of a miniature device for emerging deep brain stimulation paradigms
3/ Biomedical Sleep Inducer System
Sleeping difficulty called insomnia, can involve difficulty in falling asleep one who has first go to bed at night, waking up too early in the morning and waking up often during night. The lack of restful sleep can affect your ability to hold out daily responsibilities. All types of insomnia can cause day time drowsiness, poor concentration, and therefore the inability to feel refreshed and rested in the morning. Magnetic flux related to the plannet is termed geo-magnetic fields. It is essentially dipolar on the earth’s surface. Many of us experience sleeping well within the natural surroundings into a tent or a wooden hut. This fact is because of not only to the healthy atmosphere but also from our unconscious ability to perceive natural earth’s magnetic fields. Our paper is about this sort of geo-magnetic –fields. This has been designed a circuit, which radiates an electromagnetic field which is low frequency through a radiator coil and our aim is to perceive them, in this manner our brain is surrounded by a perfect environment for a sound sleep.
See specifications and instructions: Biomedical Sleep Inducer System
4/ Sleeping-Aid circuit
Generates a natural electromagnetic-field
Makes easier to fall asleep
nduces a prolonged and sound sleep without drugs
No side effects
See specifications and instructions: Sleeping-Aid - Cranial Electrotherapy Stimulation
5/ Special circuit: enhance brain performance.
A basic Transcranial random noise stimulation (tRNS) circuit diagram which can be implemented externally for stimulating brain cells, resulting in an enhanced performance of the brain.
See specifications and instructions: Transcranial Random Noise Stimulation (tRNS) Circuit
Selected Cranial Electrotherapy Stimulation Devices (for Sale)
Making your own transcranial electrotherapy device with your own knowledge is very cheap. However, the devices sold on the market today have been optimized, customized through testing, and the cost of assembling components is also cheap. Therefore, you can choose to buy the selected devices below.
| Product Name | Product Information | Place of Sale |
|---|---|---|
| 1/ Apollo Neuro - Sleep Tracker - Stress Relief - Improve HRV | Natural Vagus Nerve Stimulator for Healing, Rest, and Rejuvenation. Provides instant relief for fatigue, burnout, and stress with quick stimulation sessions. | Check: 👉 Apollo Neuro |
| 2/ TheBrainDriver v2 | tDCS Digital Precision with Safety Features. 4 Selectable Current Levels. Pocket-sized & Portable. Automatic Safety Shut-Off. | Check: 👉 TheBrainDriver v2 |
| 3/ CES Cranial Electrotherapy Stimulation Therapy Brain Device | Designed for reducing anxiety and improving sleep. Helps with insomnia, mental health, and stress management. | Check: 👉 CES Cranial |
| 4/ Portable Physiotherapy Insomnia Device | Stimulates the central nervous system to improve sleep, anxiety, and depression. Compatible with various voltage ranges. | Check: 👉 Anxiety ATANG CES |
| 5/ Transcranial Tens tVNS Stress Relief Device | Expert-designed with high-end features for stress relief and sleep aid. Suitable for treating various mental and physical disorders. | Check: 👉 tVNS stress relief Cranial |
These are the Top choices for Cranial Electrotherapy Stimulation after many days of learning about CES, biology and electronics.
* Note that some selected devices are quite expensive, and are developed by experts at private technology corporations. Check out the differences I have selected above.
Another type of Electrotherapy that you can use directly is electroacupuncture:
🌀 Your body and mind will have a "Big Difference" after having the meridians cleared:
👉 It’s called Acu-Frequency TM
🌀 It's no longer a legend of Chinese martial arts, it's Real
ACU-FREQUENCY ✰* ✰* ✰* ✰* ✰*
Note. According to Chinese Oriental Medicine and Taoism, there are three human treasures:
Jing, Qi, and Shen.
